Цены на товар в наличии актуальны, на товар под заказ уточняйте у менеджера!
Ваш город: Казань
+7 (843) 259 11 04
+7 (843) 259 11 32
Просьба перезвонить
Поставки инженерного оборудования на территории России

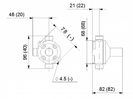
Клапан PRV-G5/8-10 PV/T U2 в комплекте с набором соединений, Grundfos

Артикул: 95730761
19 480 руб.
- +
Купить
Купить в 1 клик

Описание

Клапан PRV-G5/8-10 PV/T U2  в комплекте с набором соединений, Grundfos

Pressure relief valves

Предохранительные клапаны защищают насос в случае слишком высокого противодавления. Они устанавливаются в линии нагнетания, рядом с насосом с помощью двух соединений. Боковое соединение отводит жидкость обратно в резервуар.

Технические данные:

Pump connection:   G5/8"


Материалы:

Корпус:   PVDF

Прокладка:   PTFE

Соеденит.мат.:   PVDF


Монтаж:

Трубное соединение:   4/6, 6/9, 6/12, 9/12

Relief pressure:   10 бар








Характеристики

Бренд: Grundfos
Тип насоса: Принадлежности
Страна: Германия