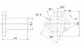
Acc, Flange R3xDN65 PN16/PN40 EN 1.4308, Grundfos
Артикул: 130187
18 015 руб.
-
+
Купить
Купить в 1 клик
Описание
Acc, Flange R3xDN65 PN16/PN40 EN 1.4308, Grundfos
Штуцер (Резьба под фланец)
Материал: Нержавеющая сталь; EN 1.4308; AISI 304
Монтаж:
Макс. рабочее давление: PN 16/40 бар
Трубное присоединение: DIN EN 1092-1
Трубное соединение: DN 65
Соединение труб: R3
Подходит для следующ. изделий: SP30, SP46, SP60
Характеристики
| Бренд: | Grundfos |
| Тип насоса: | Принадлежности |
| Страна: | Дания |
