Цены на товар в наличии актуальны, на товар под заказ уточняйте у менеджера!
Ваш город:
Казань
+7 (843) 259 11 04
+7 (843) 259 11 32
Просьба перезвонить
Поставки инженерного оборудования на территории России
0
руб.
0
товаров
Корзина
Авторизация
/
Регистрация
Главная
О компании
Сервис
Подбор и монтаж
Оплата и доставка
Партнерам
Контакты
Каталог продукции
Насосы VANDJORD
Канализационные и дренажные насосы VANDJORD
Трубопроводная арматура
Затворы дисковые
Клапаны обратные
Коллекторы и коллекторные группы
Коллекторы Luxor
Коллекторы Stout
Коллекторы без расходомеров
Коллекторы для водоснабжения
Коллекторы для отопления
Коллекторы для теплого пола
с расходомерами
Компенсаторы
Краны шаровые
Трубы и фитинги
Комплектующие для насосного оборудования
Кабель
Принадлежности
Скважинные оголовки
Скважинный оголовок ОС
Скважинный оголовок ОСП
Скважинный оголовок ОСПБ
Хомуты и зажимы
Шланги и патрубки
Жироуловители
Вертикальные жироуловители
Горизонтальные жироуловители
Жироуловители под мойку
Жироуловители Профи
Жироуловители Пятый элемент
Жироуловители Сталь
Жироуловители Стандарт
Цеховые жироуловители
Промышленные жироуловители
Пескоуловители под мойку
Принадлежности и запчасти
Автоматика
Аксессуары
Запасные части
Мембранные напорные баки
Расширительные баки
Расширительные баки для водоснабжения
Расширительные баки для отопления
Системы водоочистки
Магистральные фильтры
Магнитные преобразователи
Магнитные преобразователи
Главная
Каталог
Принадлежности и запчасти Grundfos
Принадлежности для насосов Grundfos
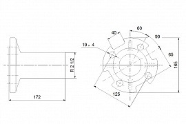
Переходный фланец для SP 2" на DN 50
Артикул:
120125
19 136
руб.
-
+
Купить
Купить в 1 клик
Описание
Переходный фланец для SP 2" на DN 50